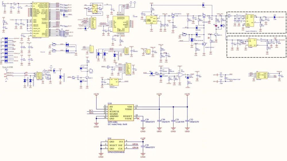
Описание
Характеристики
Описание
Технические характеристики
| ESP32 |
ESP32-PICO-V3-02 |
| PSRAM | 2 Mb |
| Flash | 8 Mb |
| Входное напряжение | 5 V, 500 mA |
| Интерфейс | Type-C x 1, GROVE (12C+I/O+UART) [ 1 |
| ЖК-экран | 1.14 Inch, 135*240 Colorful TFT LCD, ST 7789v2 |
| Микрофон | SPM1423 |
| Клавиши | пользовательские клавиши х 3 |
| LED | зелёный светодиод х 1 |
| RTC | BM8563 |
| Зуммер | встроенный |
| MEMS | MPU6886 |
| Антенна | 2.4G3D |
| Внешний штифт | G0, G25/G26, G36, G32, G33 |
| Аккумулятор | 200 mAh @ 3.7 V, inside |
| Рабочая температура | 0-40 |
| Материал оболочки | пластик |
| Размер продукта | 48*25*13 мм |
| Размер упаковки | 111*64*23 мм |
| Вес продукта | 17 г |
| Вес упаковки | 24.8 гр |





Характеристики
Количество в упаковке, шт
1
